Chevy Cavalier Turn Signal Relay / Solved Signal Won T Work When Signalling 2000 2002 Pontiac Sunfire Ifixit / 2001 chevy cavalier turn signal relay location.. Find an error on this page? I have owned the car for 7 years and never had this issue until 3 days ago. Was told it is the access relay. We provide a full selection of genuine chevrolet cavalier turn signal switch, tested and validated by chevrolet cavalier for fit, form and function. Since then it has happened three times.

Bad turn signal relay symptoms have a lot of causes. The turn signals quit working on both sides. I replaced a rear bulb turn signal in a 2001 chevy cavalier. 2001 chevrolet cavalier ls sedan fwd. Its probably a relay or a wire just burnt out.

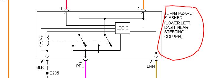
Diagram Chevy Cavalier Turn Signal Wiring Diagram Full Version Hd Quality Wiring Diagram Worthywiring38 Dorianirestaurant It
Diagram Chevy Cavalier Turn Signal Wiring Diagram Full Version Hd Quality Wiring Diagram Worthywiring38 Dorianirestaurant It from www.2carpros.com
Check out our cavalier rear turn signal bulbs today! A ashing drl telltale indicates a possible burned out headlamp, or that the vehicle may need service to repair a stuck drl relay. The oem is dayglo green, and that is probably why it is difficult to recognize. Any help would be greatly appreciated. The turn singlas stay solid when i turn them on and the hazards work fine. I have owned the car for 7 years and never had this issue until 3 days ago. Alibaba.com offers 1,057 relay turn signal products. Could it possibly be the turn signal relay?

Rocker switch led light bar 5 pin 12v green for chevy silverado 1500.

Relays are generally used in high amp circuits, starter, cooling fan etc. It may not require you to replace the flasher relay however and may only be a bad bulb in one side or the other. Find an error on this page? When using the turn signals from the steering wheel, only the right side of the car works. The turn signals quit working on both sides. Follow a quick checklist to fix the problem and have your truck running again. 10 year warranty guaranteed correct part. It is held in place with two plastic. But how to fix this problem doesn't too difficult. We provide a full selection of genuine chevrolet cavalier turn signal switch, tested and validated by chevrolet cavalier for fit, form and function. Ditto on if the lights on the other side flash as normal. Any help would be greatly appreciated. I couldn't find any youtube videos about it when i needed to replace mine so i decided to make one.

Need to replace your chevrolet cavalier turn signal switch or lever assembly? 2001 chevy cavalier turn signal relay location. A ashing drl telltale indicates a possible burned out headlamp, or that the vehicle may need service to repair a stuck drl relay. Even today, low resale prices make the chevy cavalier a real bargain for those in the market for inexpensive, basic transportation. The 2000 chevy cavalier turn signal flasher relay switch is located beneath the drivers side dashboard.

Solved Diagram On To Change Turn Signal Arm On 1994 Chevy Fixya
Solved Diagram On To Change Turn Signal Arm On 1994 Chevy Fixya from www.fixya.com
But how to fix this problem doesn't too difficult. The turn signal has two upward (for right) and two downward (for left) positions. 92 chevy cavalier turn signals quit working sides fuses whats wrong. 2001 chevy cavalier turn signal relay location. I have owned the car for 7 years and never had this issue until 3 days ago. The blinker relay is attached to the driver's right side of the steering post, under the dash, above the brake pedal. If you're a do it yourselfer, buy a haynes repair manual at your local auto parts store. 2004 chevrolet cavalier owner manual m.

10 year warranty guaranteed correct part.

A quick video showing the symptoms of a failing turn signal relay, and how to replace it. I cant find the turn signal relay.flasher. The 2000 chevy cavalier turn signal flasher relay switch is located beneath the drivers side dashboard. Chevy gm turn direction signal multifunction relay switch camaro firebird truck. 92 chevy cavalier turn signals quit working sides fuses whats wrong. I have a 1991 chevy cavalier. 1a auto has a large selection of aftermarket turn signal (blinker) switches and turn signal arms for your chevrolet cavalier and ground shipping is always free! Any help would be greatly appreciated. Are you referring to the turn signal flasher or an actual relay like the fuel pump relay? My 99 chevy suburban is showing unusual voltage drop when turn signals are applied (left or right), brake lights engaged (seldom), and even a hot key (as in ignition turns out my fuel pump relay was getting hot because my fuel filter was clogging. Ok my turn signals stopped working yesterday, but they still turn on when i hit the hazards. Unfollow chevrolet cavalier turn signal to stop getting updates on your ebay feed. 2001 chevy cavalier blinker not working so i replaced the whole turn signal switch (brand new) still not working.

Find an error on this page? Alibaba.com offers 1,057 relay turn signal products. Assuming the bulbs and fuses are good, it is more than likely a turn signal switch, not a relay. I need the location of the relay. You'll receive email and feed alerts when new items arrive.

Replace Chevy Malibu Classic Hazard Turn Signal Switch Relay Youtube
Replace Chevy Malibu Classic Hazard Turn Signal Switch Relay Youtube from i.ytimg.com
A ashing drl telltale indicates a possible burned out headlamp, or that the vehicle may need service to repair a stuck drl relay. Are you referring to the turn signal flasher or an actual relay like the fuel pump relay? 92 chevy cavalier turn signals quit working sides fuses whats wrong. Turn signal relay is the easiest system in your car to analyze and solve when it's wrong. 1a auto has a large selection of aftermarket turn signal (blinker) switches and turn signal arms for your chevrolet cavalier and ground shipping is always free! Bad turn signal relay symptoms have a lot of causes. I have a 1991 chevy cavalier. Chevy gm turn direction signal multifunction relay switch camaro firebird truck.

Follow a quick checklist to fix the problem and have your truck running again.

Was told it is the access relay. 1a auto has a large selection of aftermarket turn signal (blinker) switches and turn signal arms for your chevrolet cavalier and ground shipping is always free! The oem is dayglo green, and that is probably why it is difficult to recognize. I couldn't find any youtube videos about it when i needed to replace mine so i decided to make one. Chevy cavalier 2003 were is turn signal relay. My 2003 chevy cavalier has begun to turn it's passlock system on by itself. It is held in place with two plastic. Alibaba.com offers 1,057 relay turn signal products. My 99 chevy suburban is showing unusual voltage drop when turn signals are applied (left or right), brake lights engaged (seldom), and even a hot key (as in ignition turns out my fuel pump relay was getting hot because my fuel filter was clogging. We provide a full selection of genuine chevrolet cavalier turn signal switch, tested and validated by chevrolet cavalier for fit, form and function. Im kind stumped, where is the relay for the blinkers? 1992 chevy cavalier turn signal flasher?: A quick video showing the symptoms of a failing turn signal relay, and how to replace it.

By